DEHNguard modular DG M TT 275 952310 DEHN Schutzlösungen Überspannungsschutz
DEHNguard modular DG M TT 275 952310 DEHN Schutzlösungen Überspannungsschutz
Abonnementprodukte in Ihrem Einkaufswagen
Legen Sie einen Lieferrhythmus für alle Abonnementprodukte in Ihrem Einkaufswagen fest:
Abonnementprodukte in Ihrem Einkaufswagen
DEHNguard M TT 275 Überspannungsableiter 952310
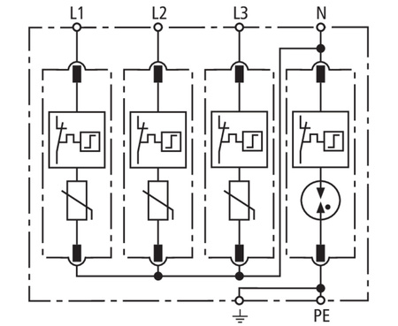
Mehrpoliger Überspannungs-Ableiter DEHNguard M (Typ 2 nach EN 61643-11), bestehend aus einem Sockel und einem austauschbaren Schutzmodul. Hohe Zuverlässigkeit durch die Kontroll- und Abtrennvorrichtung "Thermo Dynamic Control". Zum Schutz von Niederspannungsanlagen gegen Überspannungen. Für den Einsatz nach dem Zonenkonzept des Blitzschutzes als Übergang zwischen den Zonen 0B - 1 und darüber.
Produktmerkmale:
- komplette, steckerfertige Einheit bestehend aus Sockel und austauschbaren Schutzmodulen
- Hohe Schockfestigkeit durch den Einsatz von Zinkoxidvaristoren / Funkenstrecken
- Hohe Zuverlässigkeit durch die Kontroll- und Abschaltvorrichtung "Thermo Dynamic Control".
Technische Daten:
- Überspannungs-Ableiter nach EN 61643-11: Typ 2 / Klasse II
- Energiekoordination mit Endgerät (≤ 10 m): Typ 2 + Typ 3
- Nennwechselspannung (UN): 230 / 400 V (50 / 60 Hz)
- Größte Dauerwechselspannung [L-N] (UC): 275 V (50 / 60 Hz)
- Größte AC-Dauerspannung [N-PE] (UC): 255 V (50 / 60 Hz)
- Nennentladestrom (8/20 µs) (In): 20 kA
- Maximaler Entladestrom (8/20 µs) (Imax): 40 kA
- Spannungsschutzpegel [L-N]/[N-PE] (UP): ≤ 1,5 / ≤ 1,5 kV
- Spannungsschutzpegel [L-N]/[N-PE] bei 5 kA (UP): ≤ 1 / ≤ 1,5 kV
- Folgestromunterdrückungsfähigkeit [N-PE] (Ifi): 100 Arms
- Auslösezeit [L-N] (tA): ≤ 25 ns
- Auslösezeit [N-PE] (tA): ≤ 100 ns
- Maximaler Schutz: 125 A gG
- Kurzschlussfestigkeit bei maximaler Absicherung (ISCCR): 50 kArms
- Transiente Überspannung (TOV) [L-N] (UT) - Kennlinie: 335 V / 5 s - widerstandsfähig
- Transiente Überspannungen (TOV) [L-N] (UT) - Kennlinie: 440 V / 120 min - sicherer Fehler
- Gelegentliche Überspannungen (TOV) [N-PE] (UT) - Merkmal: 1200 V / 200 ms - robust Betriebstemperaturbereich (TU): -40°C ... +80°C
- Funktions-/Fehleranzeige: grün/rot
- Anzahl der Anschlüsse: 1
- Kabelquerschnitt (min.): 1,5 mm2 Draht / Kabel
- Leiterquerschnitt (max.): 35 mm2 mehrdrähtig / 25 mm2 Draht
- Montage: auf 35 mm Schiene nach EN 60715
- Gehäusematerial: thermoplastischer Kunststoff, rot, UL 94 V-0
- Montageort: im Innenbereich
- Schutzart: IP 20
- Einbaubreite: 4 Modul(e), DIN 43880
- Zertifizierungen: KEMA, VDE, UL
- Stoßstrom (10/350 µs) [N-PE] (Iimp): 12 kA
- Spannungsschutzpegel [L-PE] (UP): 1,5 kV
Stelle eine Frage
Ihre Bewertung schreiben










